| BL90 | S | 150 | GUG | ME | |
| 無刷 系列 |
馬達 長度 |
馬達 瓦數 |
軸心 樣式 |
馬達 電壓 |
備註 |
| ☐90型 | S=62.5mm | 150=150W | GUG =齒軸 |
空白=DC24V 2=DC48V 3=AC110V 4=AC220V |
M:斷電剎車 E:編碼器 |
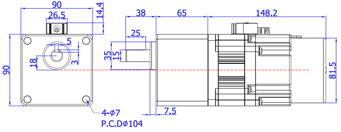
無刷馬達BL90-GUG型:齒軸/減速機 5GU☐KG 尺寸圖:

| 規格 型號 |
功率 W |
電壓 V |
電流 A |
轉矩 kg-cm |
轉速 rpm |
馬達長度 L-mm |
重量 kg |
| BL90S150-GUGME | 150 | DC24V | 8 | 4.8 | 3000 | 62.5 | 1.6 |
| BL90S150-GUGME3 | 150 | AC110V | 1.8 | 4.8 | 3000 | 62.5 | 1.6 |
| BL90S150-GUGME4 | 150 | AC220V | 0.9 | 4.8 | 3000 | 62.5 | 1.6 |
▶馬達極數(Poles):8
▶BL90-GUG 齒軸只能搭配 5GU-☐KG.
***請注意 :5GU☐KG 與 5GU☐KV. 齒型不一樣~減速機與無刷馬達 ,無法互換 .
| 無刷馬達BL90-GUG搭配減速機5GU-☐KG | ||||||||||||||||||
| 減速比 | 3 | 5 | 10 | 15 | 18 | 25 | 30 | 40 | 50 | 60 | 75 | 90 | 100 | 120 | 150 | 180 | ||
| 減速機傳動效率 | 81% | 73% | 66% | |||||||||||||||
| 減速機長度L2 | 65mm | |||||||||||||||||
| 減速機重量 kg | 1.2kg | |||||||||||||||||
| 容許最大轉矩 | 200kg-cm | |||||||||||||||||
| 容許推力荷重 | 15kg | |||||||||||||||||
| 容許懸吊荷重 | 40kg | |||||||||||||||||
▶馬達線色:
| 說明 | MU | MV | MW | +HALL | GND | H1 | H2 | H3 |
| 線色 | 紅 | 白 | 黑 | 黃 | 綠 | 棕 | 紅 | 橙 |
編碼器線色:
| PIN | 1 | 2 | 3 | 4 | 5 | 6 |
| 顏色 | – | – | 藍 | 綠 | 灰 | 白 |
| 說明 | 編織網 | – | Z | B | A | GND |
| PIN | 7 | 8 | 9 | 10 | 11 | 12 |
| 顏色 | – | – | 紅 | 黃 | 粉紅 | 棕 |
| 說明 | – | – | /Z | /B | /A | +5V |
編碼器規格:TS5214N8369.(2500P/R)
| Supply voltage | DC: 5V |
| Supply current (max) | 200 mA |
| Signal | A+ A- B+ B- Z+ Z- |
| Rise/fall time (max) | 100ns |
| Frequency | 200 kHz |
| Output voltage”H” | 2.4v Min |
| Output voltage”L” | 0.5v Max |
| Max.output current | 20 mA |
| 剎車器電源 | 剎車器功率 | 剎車器靜摩擦轉矩 | ||||||
| DC24V | 5W | 20kg-cm | ||||||
.jpg)
無刷馬達90型 150W /DC24V BL90S150-GUGME+5GU_KG 斷電剎車+編碼器型





