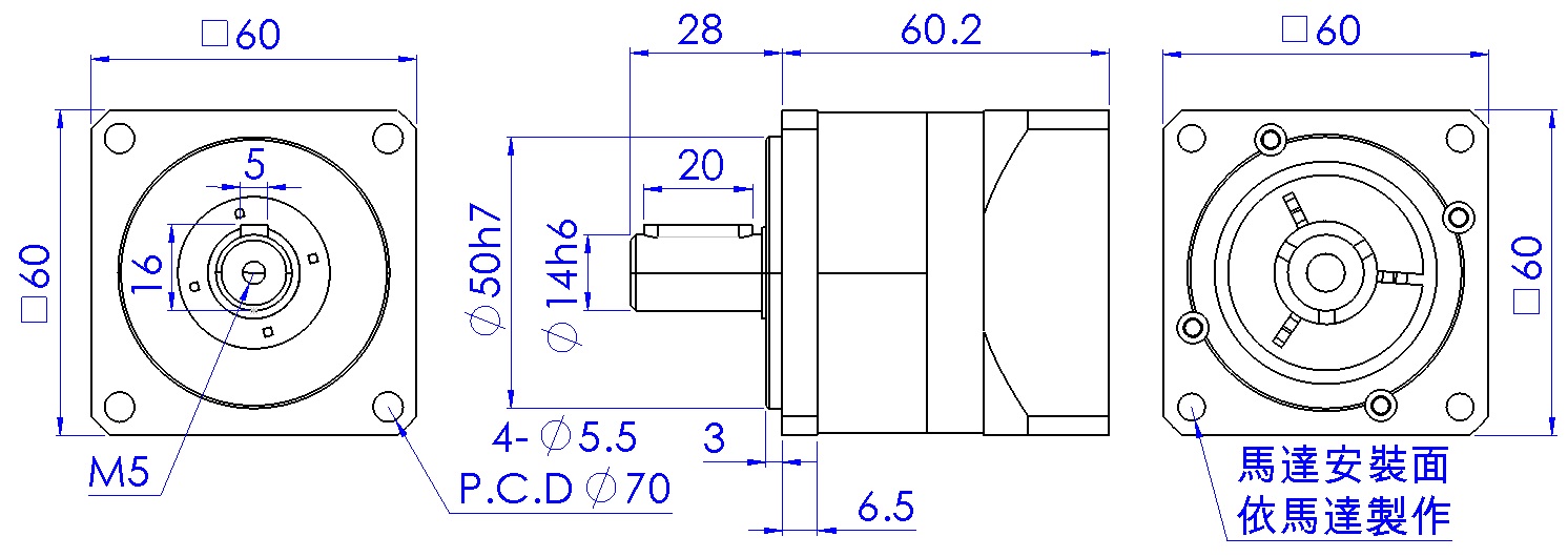
| ZPL | 60 | L1 | 10 | 14 | SV |
| 行星 減速機 |
減速機 外型 |
減速機 一段 |
減速機 比數 |
減速機 軸心 |
馬達 |
| 直齒 短板 |
☐60mm | L1=一段 | 3~10比 | 14=14mm | ST:步進 SV:伺服 |

| 減速比(一段): | 3 | 4 | 5 | 7 | 10 |
| 額定輸出力矩N.m | 36 | 40 | 42 | 36 | 18 |
| 規格/型號 | 減速比一段:L1 | |
| 標準背隙 | 12 arcmin | |
| 效率 | 95% | |
| 噪音值(無負載) | 63 dB | |
| 重量 | 2 Kg | |
| 輸入轉速 | 3000 rpm | |
| 防護等級 | IP 54 | |
| 扭轉剛性 | 26 N-m/arc-min | |
| 最大徑向力 | 1360N | |
| 最大軸向力 | 680N | |
1.上述減速機重量是以 5比 所量測數值,實際重量請依照出貨秤重為準.
2.噪音值之量測是以 額定輸入轉速,空載運轉,距離 1m 所測數值.
3.背隙檢測是使用 背隙量測專用機 所量測數值.
2.噪音值之量測是以 額定輸入轉速,空載運轉,距離 1m 所測數值.
3.背隙檢測是使用 背隙量測專用機 所量測數值.
行星減速機60型ZPL-60(短型)





