無刷馬達60型搭配2GA減速機:
| BL60 | X | 30 | GA | 4 | |
| 無刷 系列 |
馬達 長度 |
馬達 瓦數 |
軸心 樣式 |
電壓 | 備註 |
| ☐60型 | X=mm | 30W | GA=齒型 | AC:220V |
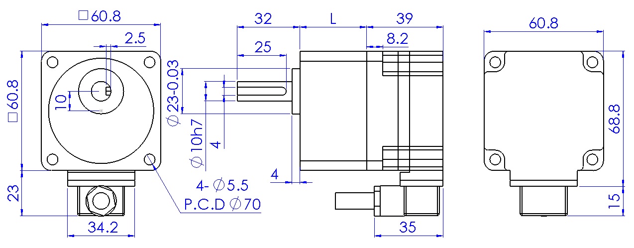
尺寸圖:

| 規格 型號 |
功率 W |
電壓 V |
電流 A |
轉矩 kg-cm |
轉速 rpm |
馬達長度 L-mm |
重量 kg |
| BL60X30-GA4 | 30 | AC220V | 0.45 | 0.96 | 3000 |
▶馬達搭配減速機的容許轉矩:
| 減速機段數/長度:mm | L1:mm | L2:mm | |||||
| 比數2GA☐☐K | 5 | 10 | 15 | 20 | 30 | 50 | 100 |
| 容許轉矩kg-cm | 4.3 | 8.6 | 13 | 17 | 26 | 41 | 60 |
▶馬達極數(Poles):10
▶馬達線色:
| 說明 | MU | MV | MW | +HALL | GND | H1 | H2 | H3 |
| 線色 | 黃 | 綠 | 藍 | 紅 | 黑 | 黃 | 綠 | 藍 |
無刷馬達
無刷馬達 BL60 型搭配減速機2GA





