2相步進馬達☐25型/軸心ø5 mm

檔案下載
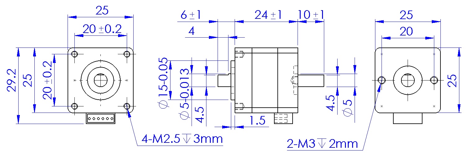
2相步進馬達 (安裝面 ☐ 25 mm) HB-TYPE 為高轉矩,低震動的步進馬達.

使用環境溫度: – 10 ~ + 50 °C.
絕緣阻抗: 100 MΩ  Min (at DC 500V).
絕緣耐壓:  AC 500V ( 1 Min ) .
軸心平行振動: 0.075 mm Max.
軸心垂直振動: 0.025 mm Max.
容許溫度上升: 80 °C Max.
★注意:馬達表面溫度請保持在 60°C 以下.

ZKM2253-01A尺寸圖:

ZKM2253-01B尺寸圖:

ZKM2253-01BS:(軸心長度特殊)尺寸圖:

 

產品項目-電氣規格
型號 步進
角度
Deg
電壓

V

電流

A

電阻

Ω

轉子
慣量
g-cm²
ZKM2253-01A 1.8 2.8 0.7 4 2
ZKM2253-01B 1.8 2.8 0.7 4 2
ZKM2253-01BS 1.8 2.8 0.7 4 2

 

產品項目-機械規格
型號 重量

kg

馬達
出線
長度
L
mm
軸心
加工
靜止
轉矩
kg-cm
ZKM2253-01A 0.06 4 24 平面 0.33
ZKM2253-01B 0.06 4 24 平面 0.33
ZKM2253-01BS 0.06 4 24 平面 0.33

★馬達軸心加工方式:平面切削.

馬達線色: (4線式接法)

定義 A /A B /B
顏色

2相步進馬達☐25型/軸心ø5 mm