.jpg)
| 產品項目-電氣規格 | |||||
| 中空軸心 步進馬達 |
步進 角度 Deg |
電壓
V |
電流
A |
電阻
Ω |
轉子 慣量 g-cm² |
| ZKM2283-01BM5 | 1.8 | 2.66 | 0.95 | 2.8 | 9 |
| 產品項目-機械規格 | |||||
| 中空軸心 步進馬達 |
重量
kg |
馬達 出線 |
長度 L mm |
軸心 加工 |
靜止 轉矩 kg-cm |
| ZKM2283-01BM5 | 0.11 | 6 | 32 | 中空 | 0.4 |
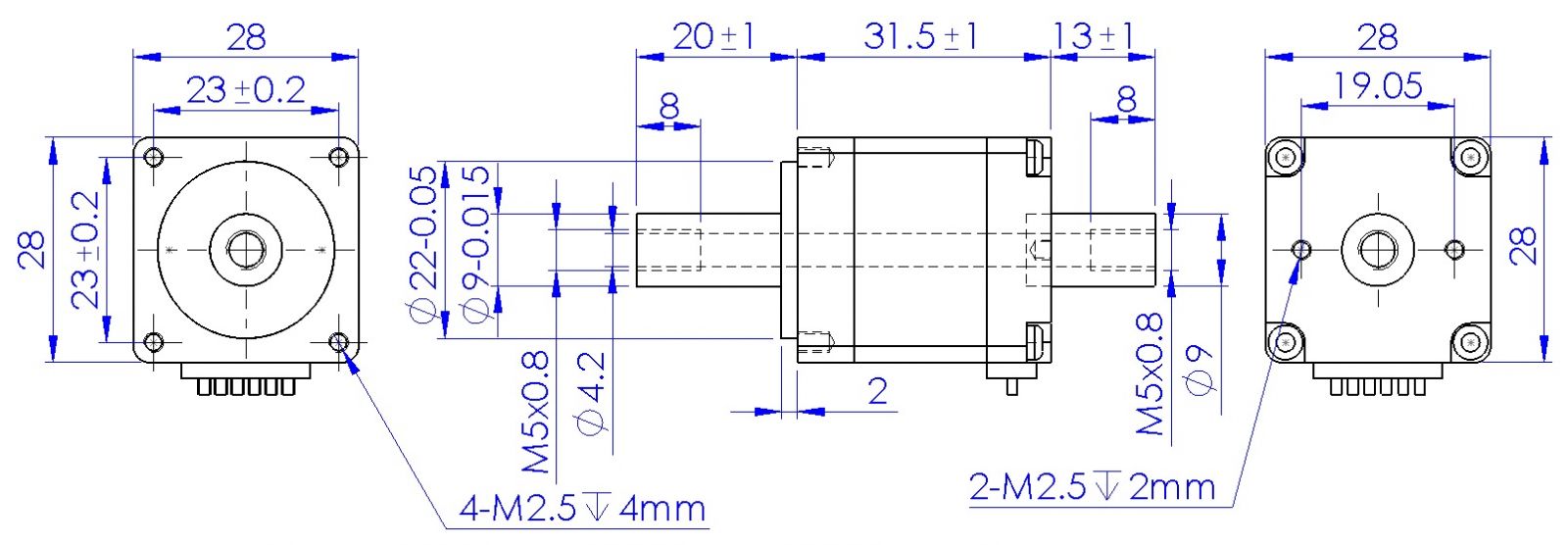
★馬達軸心加工方式:圓軸/中空軸心/前後軸心有 M5*0.8 Deep 8mm 牙孔.
馬達線色: (6線式接法)
| 定義 | A | /A | B | /B | CA | CB |
| 顏色 | 黑 | 綠 | 紅 | 藍 | 黃 | 白 |
中空軸心步進馬達☐28型軸心ø9mm 中空M5牙孔





